詳細介紹
結構特點及圖片
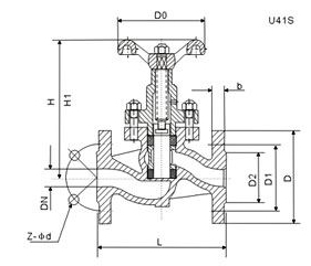
法蘭柱塞閥是有閥體、閥蓋、閥桿、柱塞、孔架、密環、手輪等零件組成(如圖)。當手輪旋轉時,通過閥桿帶動柱塞在孔架中間上下往復運動來完成閥門的開啟與關閉功能。由于法蘭柱塞閥的中柱塞與密封環間采用過盈配合。通過調節壓蓋中法蘭螺栓,使密封環壓縮所產生的側向力與閥體中孔面積柱塞外圓密封。從而保證了柱塞閥的密封性,杜絕了內泄漏,同時柱塞開啟矩小,能實現閥門的迅速啟閉。法蘭柱塞閥的密封環采用回彈性強,耐磨性高的無毒新型密封材料,具有經受長期高溫,高壓而不喪失彈性,所以密封性能可靠,經久耐用。
閥體及密封圈材料
主要外形與連接尺寸
產品尺寸
| ||||||||||||||||||||||||||||||||||||||||||||||||||||||||||||||||||||||||||||||||||||||||||||||||||||||||||||||||||||||||||||||||||||||||||||||||||||||||||||||||||||||||||||||||||||||||||||||||||||||||||||||||||||||||||||||||||||||||||||||||||||||||||||||||||||||||||||||||||||||||||||||||||||||||||||||||||||||||||||||||||||||||||||||||||||||||||||||||||||||||||||||||||||||||||||||||||||||||||||||||||||||||||||||||||||||||||||||||||||||||||||||||||||||||||||||||||||||||||||||||||||||||||||||||||
溫馨提示:“U41SM法蘭柱塞閥”所有文字、數據、圖片均只適用于參考。
如需與實物相吻合的性能參數、結構尺寸參數等詳情請來電來函索取。
電話:021-68103333 傳真:021-51686322
如需與實物相吻合的性能參數、結構尺寸參數等詳情請來電來函索取。
電話:021-68103333 傳真:021-51686322

軟密封蝶閥視頻介紹





掃一掃關注我們